accel 48 deep belt diagram

John Deere Dry-Condition Kit for 48-inch 48A Accel Deep Mower Deck - BM26238. Z355E - 48 Accel Deep Edge Mower Deck.


John Deere Z530r 24 Hp V Twin Dual Hydrostatic 60 In Zero Turn Lawn Mower With Mulching Capability Kit Sold Separately In The Zero Turn Riding Lawn Mowers Department At Lowes Com

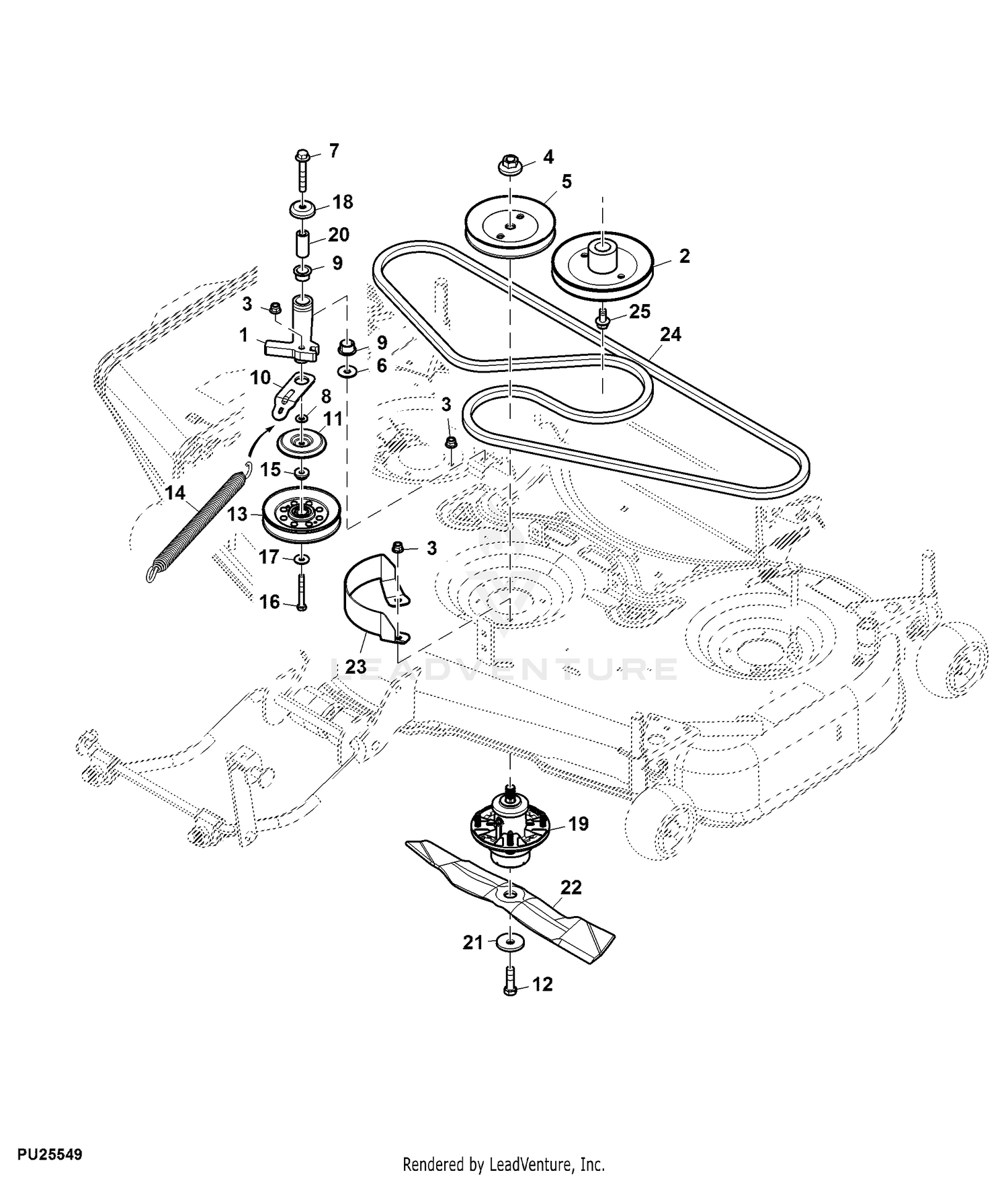
7 - Belt - Traction.

. 48 Accel Deep Mower Deck. 48 Accel Deep Edge Mower Deck. X384 - 48 Accel Deep Mower Deck.

11 - Belt - Mower - Primary. 12 - Belt - Mower - Primary. John Deere Deck Drive Belt Tightener Spring - M158756 1 1332.

I Need A Belt Diagram For A John Deere Mower D140 Fixya. X384 - 48 Accel Deep Mower Deck. The 48-inch Accel Deep Mower Deck is a stamped-steel deep flat-top design that delivers excellent cut quality productivity cleanliness durability and versatility.

7 - Belt - Traction Drive SN. 48 Accel Deep Mower Deck. Z525E Residential Ztrak Zero Turn Mower.

X390 - 48 Accel Deep Mower Deck. Complete 54 Accel Mower Deck Assembly For Z500 Series Ztraks. 48-inch Accel Mower Deck Parts for John Deere X384.

Click here for 48-inch Accel Mower Deck Parts for X380. Z525E - 48 Accel Deep Mower Deck. 48 Accel Deep Mower Deck.

48 Accel Deep Mower Deck. Z355E Residential Ztrak Zero Turn Mower. Mower d140 d130 fixya.

48 Accel Deep Mower Deck. This BUC11122 mower deck comes with all parts pictured. You can contact me atemail.

John Deere Discharge Chute -. 48 Accel Deep Mower Deck. X350 with 48 Accel Deep Deck Home Maintenance Kit Unit Kit Number X350 LG265 As Needed Parts Qty Part No Item 1 AM130907 Mower Deck Leveling Gauge 1 TY26518 Grease.

7 - Belt - Traction Drive SN. Up to 24 cash back John deere 48 accel deep deck belt diagram Redirecting to Download John Deere Riding Lawn Mower Belt Diagram PDF after seconds Discussion Starter 1 Mar. X350 with 48 Accel Deep Deck ENGINE MOWER DECK MOWER DECK ELECTRICAL FUEL AND AIR GREASE GUN TY26518 GAGE WHEEL M111489 MULCH KIT BUC10704 See operators.

Click here for 48-inch Accel Mower Deck Parts for X380. 11 - Belt - Mower - Primary. X350 - 48 Accel Deep Mower Deck.

X380 - 48 Accel Deep Mower Deck. John Deere Discharge Chute - TCA16388. John Deere 48 Accel Deep Complete Mower Deck BUC11122Complete John Deere 48 Accel Deep mower deck.

10 - Belt Mower. John Deere Deck Drive Belt Tightener Spring - M158756 1 1332.


John Deere Mid Mount Mower 48 Inch Accel Deepa Belt Drive And Spindle Housings 48 Inch Accel Deepa


Z540m Ztrak Mower


Ozysmtj3lujzkm


John Deere Edge Cutting System In Baldwin City Ks Item Da1942 Sold Purple Wave


John Deere S240 Lawn Tractors S240 Lawn Tractors California Pc12357 Attachment Mower Deck Accel Deep 48 Inch For Usa Not For California Mower Deck Lift Linkage


New X590 Deck Installation My Tractor Forum


John Deere Z535m Ztrak Mower Z535m Ztrak Mower Pc12791 Attachment Mower Deck Accel Deep 54 Inch Mower Deck Lift Linkage


John Deere 48 In Deck Belt Diagram Online Sales Up To 64 Off Www Apmusicales Com


John Deere Z540m Ztrak Mower Mower Deck 62c Pc12792 Spindle Chute Belt Blades Mower Deck Accel Deep 48 Inch For Usa Not For Canada Mower Deck Lift Linkage


John Deere Ztrak Belt Routing Guide My Tractor Forum


John Deere Z355e Ztrak 22 Hp V Twin Dual Hydrostatic 48 In Zero Turn Lawn Mower With Mulching Capability Kit Sold Separately In The Zero Turn Riding Lawn Mowers Department At Lowes Com


John Deere Mower Decks Shop Online John Deere Mower Decks Low Prices On John Deere Mower Deck And Replacement Parts


X750 48 In Mower Deck


John Deere Mower Deck Am133402 Green Farm Parts


Yamaha Snowmobile 1978 Oem Parts Diagram For Frame Partzilla Com


Mxhnxl Lpme0 M


Belt Routing For Jd X 570 48 Deck My Tractor Forum

Iklan Atas Artikel

Iklan Tengah Artikel 1

Iklan Tengah Artikel 2

Iklan Bawah Artikel